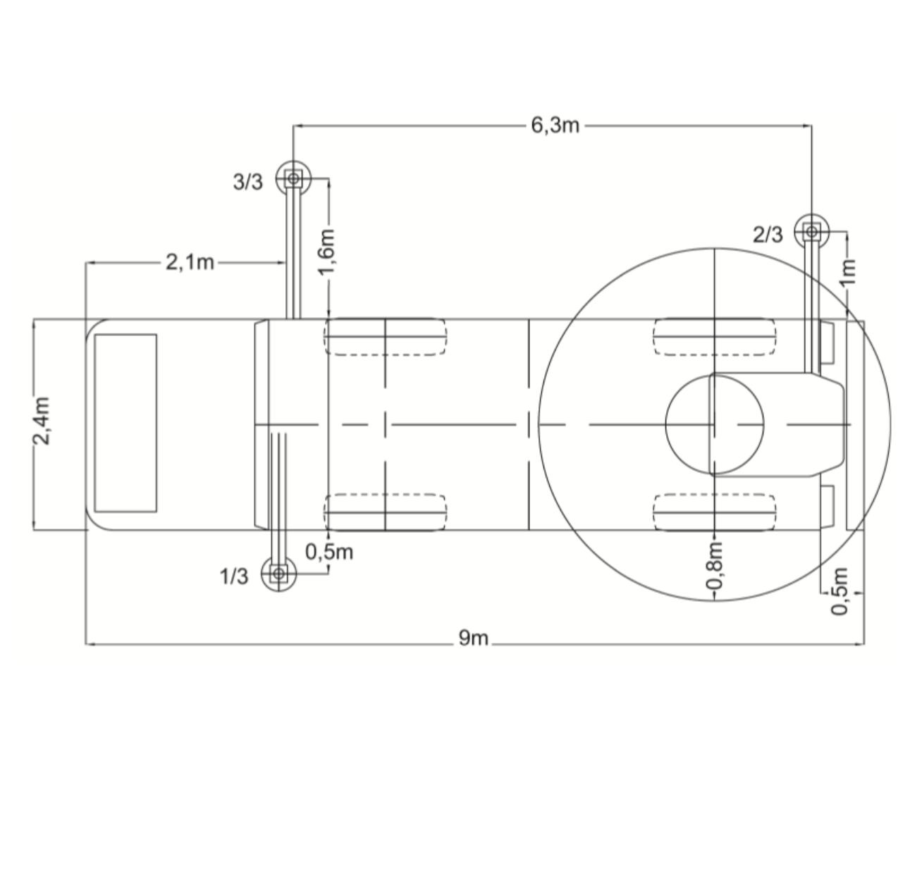
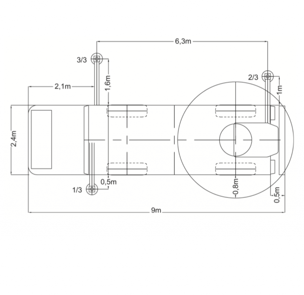
Böcker 44
The Böcker 44 crane is a versatile and powerful piece of machinery, renowned for its exceptional lifting capabilities and innovative design. Engineered for efficiency and reliability, this crane has a maximum lifting capacity of 4 tons and a reach of 44m, making it ideal for a wide range of applications. Its advanced hydraulic system ensures smooth and precise operations, while the compact design allows for easy maneuverability in tight spaces. The Böcker 44 crane is equipped with state-of-the-art safety features, ensuring secure and efficient performance on every job site. With a reputation for durability and excellence, the Böcker 44 crane is the go-to choice for professionals seeking superior lifting solutions.
Contact UsRadius / weight not quite enough?
Check out our other options here
Other Mobile CranesSEE BELOW FOR
working range and vehicle dimensions



